Кран шаровый 11с(6)745п сталь Ру 16 Ду 300

К сравнению
В избранное
Единица измерения:шт
В наличии
734 990
Есть вопросы? Звоните!
+7 (3952) 43-61-17
или
Быстрая доставка по РФ
до объекта своим транспортом (от 1 тонны, 110 куб.метров.)
Грузоперевозки авто, жд-транспортом
Цена от производителя
скидки и отсрочка платежа для постоянных клиентов.
Консультация менеджера
8 (800) 250-00-78 (Бесплатно по РФ)
E-Mail: info@uik-rus.ru
Быстрый онлайн-заказ
если не нашли нужный товар в каталоге.
Описание
Характеристики
Отзывы
Кран шаровый предназначен для установки на технологических линиях в качестве запорного устройства для герметичного перекрытия потока рабочей среды. Его функция – обеспечение надёжного запирания канала трубопровода.

Технические характеристики крана шарового 11с(6)745п сталь Ру 16 Ду 300

Характеристика

Значение

Тип оборудования

Кран шаровый

Материал корпуса

Сталь углеродистая

Исполнение

Для наземной установки, исп.У

Присоединение

Под приварку

Рабочая среда

Неагрессивный природный газ

Привод

Пневмогидропривод

Тип давления

N

Минимальная температура, град.

-45

Максимальная температура, град.

+80

Масса, кг

650 

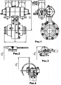
Ду

300 

Ру max

16 

L, мм

700 

H, мм

1425 

H1, мм

1115 

Шаровые краны применяются в качестве запорного устройства на технологических линиях по транспортировке неагрессивного природного газа и других неагрессивных сред.

Шаровые краны должны устанавливаться соосно с трубопроводом. Кран с ручным управлением допускается устанавливать в любом пространственном положении, с пневмогидроприводом и пневмоприводом (струйным)— на горизонтальных участках трубопровода приводом вверх с отклонением от вертикальной оси не более 10°.
Средний срок службы — не менее 30 лет.
Изготовление и поставка по ТУ 26-07-1450-96, ТУ 26-07-1455-95 (DN 150мм).
Шаровые краны этой серии изготавливаются по стандарту АРI sрес 6D.

схема шарового крана

Конструктивные особенности и преимущества:

  • корпус состоит из двух штампованных полусфер, сваренных между собой, что исключает вероятность разгерметизации узла крана относительно внешней среды;
  • уплотнение затвора выполнено иэ эластомерного материала, обладающего высокой износо- и зрозионнестойкостью;
  • высокая герметичность затвора обеспечивается постоянным поджатием обоих седел к пробке;
  • затвор выполнен по схеме "пробка в опорах" с самосмазывающимися подшипниками из металлофторопласта, облегчающими управление кранами;
  • пневмогидроприводные краны имеют ручной дублер (гидравлический насос);
  • безбаллонная конструкция привода резко сокращает объем гидравлической жидкости гидросистемы приводов;
  • пневмогидроприводы заправлены гидрожидкостью;
  • блоки управления имеют встроенные клеммные коробки, конечные выключатели и не требуют дополнительной обвязки;
  • напряжение управления — 24 или 110 В;
  • возможна комплектация электроприводами;
  • возможно изготовление кранов подземной установки с нанесением антикоррозионного полимерного покрытия.

Где купить

Торговый дом «УИК» предлагает купить кран шаровый 11с(6)745п сталь Ру 16 Ду 300  от производителя по выгодной цене.  В сжатые сроки мы организуем доставку строительного оборудования и материалов в ваш город. 

Характеристики
Единица измерения
Отзывов ещё нет — ваш может стать первым.
Все отзывы 0
общий рейтинг
Почему выгодно работать с нами
1. Мы оказываем полный комплекс логистических услуг по России?
- Доставка автомобильным, ЖД-транспортом, баржами по России до объекта, возможность транзитных и точечных поставок;
- Быстрая доставка по РФ до объекта своими фурами Renault Premium 420 dci от 20 тонн, 110 куб.метров (ХМАО, ЯНАО, Республика Коми, Тюменская область)
- Возможность перевозки негабаритных грузов длинной до 16,7 метров;
- Возможность доставки в труднодоступные регионы, города и поселки;
- Имеем прямые договора с ЖД-тупиками (ст. Сывдарма, ст. Коротчаево, ст. Ево-Яха, ст. Пангоды, ст. Ямбург, ст. Лабытнанги)
- Имеем соглашения с переправами через р. Надым, р.Пур (объекты в г. Надым, в зимнее время г.Салехард)

2. Мы профессионалы, имеющие большой опыт в строительстве
Принимали участие в обеспечении  строительства крупных проектов в нефте-газовой отрасли и других промышленных объектов.

3. Мы работаем по ценам производителя, предоставляем скидки и отсрочку платежа для постоянных клиентов.
В нашем каталоге представлен широкий спектр оборудования и материалов, если Вы не нашли нужный товар в каталоге, либо требуется консультация свяжитесь с нами по указанным ниже контактам:


8 (800) 250-00-78 (Звонок бесплатный по России)
Либо воспользуйтесь быстрым заказом